欢迎访问ic37.com |
会员登录 免费注册
发布采购

LC72121 参数 Datasheet PDF下载

LC72121图片预览
型号: LC72121
PDF下载: 下载PDF文件 查看货源
内容描述: PLL频率合成器的电子调谐 [PLL Frequency Synthesizers for Electronic Tuning]
分类和应用: 光电二极管电子
文件页数/大小: 22 页 / 378 K
品牌: SANYO [ SANYO SEMICON DEVICE ]
 浏览型号LC72121的Datasheet PDF文件第2页浏览型号LC72121的Datasheet PDF文件第3页浏览型号LC72121的Datasheet PDF文件第4页浏览型号LC72121的Datasheet PDF文件第5页浏览型号LC72121的Datasheet PDF文件第7页浏览型号LC72121的Datasheet PDF文件第8页浏览型号LC72121的Datasheet PDF文件第9页浏览型号LC72121的Datasheet PDF文件第10页  
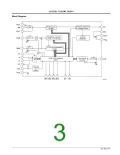
LC72121, 72121M, 72121V  
Continued from preceding page.  
Pin No.  
Pin  
Type  
Function  
Equivalent circuit  
LC72121M  
name  
LC72121  
LC72121V  
• This pin must be set high to enable serial data input (DI) or serial  
data output (DO).  
CE  
DI  
3
3
Chip enable  
4
5
4
5
Input data  
Clock  
• Input for serial data transferred from the controller  
• Clock used for data synchronization for serial data input (DI) and  
serial data output (DO).  
CL  
• Output for serial data transmitted to the controller. The content of the  
data transmitted is determined by DOC0 through DOC2.  
DO  
6
6
Output data  
• LC72121 power supply (VDD 2.7 to 3.6 V)  
• The power on reset circuit operates when power is first applied.  
VDD  
17  
18  
Power supply  
——  
VSSX  
VSSa  
2
2
Ground  
Ground  
• Ground for the crystal oscillator circuit  
——  
——  
21  
22  
• Ground for the low-pass filter MOS transistor  
• Ground for the LC72121 digital systems other than those that use  
VSSd  
14  
15  
Ground  
——  
VSSa or VSSX  
.
• Shared function I/O ports  
• The pin function is determined by IOC1 and IOC2 in the serial data.  
When the data value 0: Input port  
When the data value 1: Output port  
• When specified to function as an input port:  
The input pin state is reported to the controller through the DO pin.  
When the input state is low: The data will be 0:  
When the input state is high: The data will be 1:  
• When specified to function as an output port:  
The output state is determined by IO1 and IO2 in the serial data.  
When the data value is 0: The output state will be the open circuit  
state.  
IO1  
IO2  
11  
13  
11  
14  
I/O port  
When the data value is 1: The output state will be a low level.  
• These pins are set to input mode after a power on reset.  
• Output-only ports  
• The output state is determined by BO1 through BO4 in the serial  
data.  
BO1  
BO2  
BO3  
BO4  
7
8
7
8
When the data value is 0: The output state will be the open circuit  
state.  
When the data value is 1: The output state will be a low level.  
• A time base signal (8 Hz) is output from BO1 when TBC in the serial  
data is set to 1.  
Output port  
9
9
10  
10  
• PLL charge pump output  
A high level is output when the frequency of the local oscillator signal  
divided by N is higher than the reference frequency, and a low level  
is output when that frequency is lower. This pin goes to the high-  
impedance state when the frequencies match.  
Charge pump  
output  
PD  
18  
19  
Low-pass filter  
amplifier  
transistor  
AIN  
19  
20  
20  
21  
• Connections for the MOS transistor used for the PLL active low-pass  
filter.  
AOUT  
• The input frequency range is 0.4 to 12 MHz  
• The signal is passed directly to the IF counter.  
• The result is output, MSB first, through the DO pin.  
• Four measurement periods are supported: 4, 8, 32, and 64 ms.  
IFIN  
NC  
12  
13  
IF counter  
12  
23  
——  
NC pin  
• No connection  
No. 5815-6/22  
 复制成功!