欢迎访问ic37.com |
会员登录 免费注册
发布采购

MC33989DW 参数 Datasheet PDF下载

MC33989DW图片预览
型号: MC33989DW
PDF下载: 下载PDF文件 查看货源
内容描述: 系统基础芯片,高速CAN收发器 [System Basis Chip with High-Speed CAN Transceiver]
分类和应用: 电信集成电路光电二极管
文件页数/大小: 66 页 / 2154 K
品牌: FREESCALE [ Freescale ]
 浏览型号MC33989DW的Datasheet PDF文件第30页浏览型号MC33989DW的Datasheet PDF文件第31页浏览型号MC33989DW的Datasheet PDF文件第32页浏览型号MC33989DW的Datasheet PDF文件第33页浏览型号MC33989DW的Datasheet PDF文件第35页浏览型号MC33989DW的Datasheet PDF文件第36页浏览型号MC33989DW的Datasheet PDF文件第37页浏览型号MC33989DW的Datasheet PDF文件第38页  
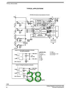
FUNCTIONAL DEVICE OPERATION  
LOGIC COMMANDS AND REGISTERS  
Table 20. IOR Status Bits  
Status Bit  
Description  
V2 Below 4.0 V  
High Side 1 Over Temperature  
Below 6.1 V  
V2LOW  
HS1OT  
V
VSUPLOW  
DEBUG  
SUP  
If Set, SBC Accepts Command to go to Debug Modes (No WD)  
Wake-up Input Register (WUR)  
as and for waking up the SBC in Sleep or Stop modes.  
Please see Table 21.  
The local wake-up inputs, L0, L1, L2, and L3 can be used  
in both Normal and Standby modes as port expander, as well  
Table 21. WUR Register  
WUR  
D3  
D2  
D1  
D0  
$100B  
W
R
LCTR3  
L3WU  
0
LCTR2  
L2WU  
0
LCTR1  
L1WU  
0
LCTR0  
L0WU  
0
Reset Value  
Reset Condition  
POR, NR2R, N2R, STB2R, STO2R  
The wake-up inputs can be configured separately, while  
L0 and L1 are configured together. Bits L2 and L3 are  
configured together. Please see Table 22.  
Table 22. WUR Control Bits  
LCTR3  
LCTR2  
LCTR1  
LCTR0  
L0/L1 Config  
L2/L3 Config  
x
x
x
x
0
0
1
1
x
x
x
x
0
1
0
1
0
0
1
1
x
x
x
x
0
1
0
1
x
x
x
x
Inputs Disabled  
High Level Sensitive  
Low Level Sensitive  
Both Level Sensitive  
Inputs Disabled  
High Level Sensitive  
Low Level Sensitive  
Both Level Sensitive  
Table 23 provides Status bits data.  
Table 23. WUR Status Bits  
Status Bit  
Description  
Wake-up Occurred (Sleep/Stop Modes), Logic State on Lx (Standby/Normal Modes)  
L3WU  
L2WU  
L1WU  
L0WU  
Notes: Status bits have two functions. After SBC wake-up, they indicate the wake-up source (Example: L2WU set at 1 if wake-up source is L2  
input). After SBC wake and once the WUR has been read, status bits indicates the real time state of the LX inputs (1 mean LX is above  
threshold, 0 means that LX input is below threshold).  
If, after a wake-up from LX input, a WD timeout occurs before the first reading of the WUR register, the LXxWU bits are reset. This can occur  
only if SBC was in Stop mode.  
33989  
Analog Integrated Circuit Device Data  
34  
Freescale Semiconductor  
 复制成功!