欢迎访问ic37.com |
会员登录 免费注册
发布采购

ADG1419BRMZ 参数 Datasheet PDF下载

ADG1419BRMZ图片预览
型号: ADG1419BRMZ
PDF下载: 下载PDF文件 查看货源
内容描述: 2.1 Ω​​导通电阻, ±15 V / + 12 V / ± 5 V的iCMOS单刀双掷开关 [2.1 Ω On Resistance, ±15 V/+12 V/±5 V iCMOS SPDT Switch]
分类和应用: 开关光电二极管
文件页数/大小: 16 页 / 513 K
品牌: ADI [ ADI ]
 浏览型号ADG1419BRMZ的Datasheet PDF文件第8页浏览型号ADG1419BRMZ的Datasheet PDF文件第9页浏览型号ADG1419BRMZ的Datasheet PDF文件第10页浏览型号ADG1419BRMZ的Datasheet PDF文件第11页浏览型号ADG1419BRMZ的Datasheet PDF文件第12页浏览型号ADG1419BRMZ的Datasheet PDF文件第14页浏览型号ADG1419BRMZ的Datasheet PDF文件第15页浏览型号ADG1419BRMZ的Datasheet PDF文件第16页  
ADG1419  
V
V
V
DD  
SS  
0.1µF  
0.1µF  
V
(NORMALLY  
IN  
CLOSED SWITCH)  
V
DD  
SS  
ON  
OFF  
SB  
NC  
V
D
V
S
V
(NORMALLY  
IN  
OPEN SWITCH)  
OUT  
SA  
C
1nF  
L
IN  
V
ΔV  
OUT  
OUT  
V
IN  
Q
= C × ΔV  
L
GND  
INJ  
OUT  
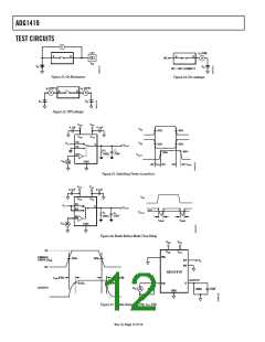
Figure 28. Charge Injection  
V
V
V
DD  
V
DD  
SS  
SS  
0.1µF  
0.1µF  
0.1µF  
0.1µF  
NETWORK  
ANALYZER  
NETWORK  
ANALYZER  
V
V
V
DD  
V
DD  
SS  
SS  
NC  
NC  
50Ω  
SA  
SB  
SA  
SB  
50ꢀ  
IN  
IN  
V
S
V
S
D
D
V
V
OUT  
OUT  
V
V
IN  
R
IN  
L
50ꢀ  
GND  
GND  
V
OUT  
V
WITH SWITCH  
OUT  
OFF ISOLATION = 20 log  
INSERTION LOSS = 20 log  
V
S
V
WITHOUT SWITCH  
OUT  
Figure 29. Off Isolation  
Figure 31. Bandwidth  
V
V
DD  
SS  
0.1µF  
0.1µF  
V
V
DD  
SS  
NETWORK  
ANALYZER  
V
V
DD  
SS  
0.1µF  
0.1µF  
SA  
V
OUT  
R
L
AUDIO PRECISION  
50  
V
V
DD  
SS  
SB  
D
R
50ꢀ  
R
S
S
IN  
IN  
V
V p-p  
V
S
S
GND  
D
V
OUT  
V
IN  
R
L
10k  
GND  
V
OUT  
CHANNEL-TO-CHANNEL CROSSTALK = 20 log  
V
S
Figure 32. THD + N  
Figure 30. Channel-to-Channel Crosstalk  
Rev. 0 | Page 13 of 16  
 
 
 
 
 
 复制成功!