欢迎访问ic37.com |
会员登录 免费注册
发布采购

TL3842 参数 Datasheet PDF下载

TL3842图片预览
型号: TL3842
PDF下载: 下载PDF文件 查看货源
内容描述: 电流模式PWM控制器 [CURRENT-MODE PWM CONTROLLERS]
分类和应用: 控制器
文件页数/大小: 12 页 / 173 K
品牌: TI [ TEXAS INSTRUMENTS ]
 浏览型号TL3842的Datasheet PDF文件第4页浏览型号TL3842的Datasheet PDF文件第5页浏览型号TL3842的Datasheet PDF文件第6页浏览型号TL3842的Datasheet PDF文件第7页浏览型号TL3842的Datasheet PDF文件第8页浏览型号TL3842的Datasheet PDF文件第10页浏览型号TL3842的Datasheet PDF文件第11页浏览型号TL3842的Datasheet PDF文件第12页  
TL284x, TL384x  
CURRENT-MODE PWM CONTROLLERS  
SLVS038E – JANUARY 1989 – REVISED DECEMBER 1999  
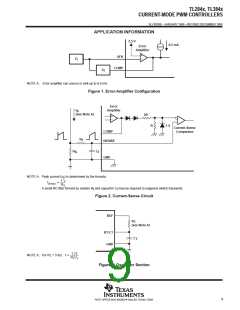
APPLICATION INFORMATION  
2.5 V  
0.5 mA  
Error  
Amplifier  
+
VFB  
Z
i
COMP  
Z
f
NOTE A: Error amplifier can source or sink up to 0.5 mA.  
Figure 1. Error-Amplifier Configuration  
Error  
I
Amplifier  
S
(see Note A)  
2R  
+
R
1 V  
Current-Sense  
Comparator  
COMP  
R
f
ISENSE  
R
C
f
S
GND  
NOTE A: Peak current (I ) is determined by the formula:  
S
1 V  
RS  
IS max  
(
)
A small RC filter formed by resistor R and capacitor C may be required to suppress switch transients.  
f
f
Figure 2. Current-Sense Circuit  
REF  
R
T
(see Note A)  
RT/CT  
GND  
C
T
1.72  
RTCT  
NOTE A: For R > 5 k:  
f
T
Figure 3. Oscillator Section  
9
POST OFFICE BOX 655303 DALLAS, TEXAS 75265  
 复制成功!