欢迎访问ic37.com |
会员登录 免费注册
发布采购

2808A1 参数 Datasheet PDF下载

2808A1图片预览
型号: 2808A1
PDF下载: 下载PDF文件 查看货源
内容描述: POER低电流模式推挽PWM [LOW POER CURRENT MODE PUSH-PULL PWM]
分类和应用:
文件页数/大小: 11 页 / 251 K
品牌: TI [ TEXAS INSTRUMENTS ]
 浏览型号2808A1的Datasheet PDF文件第2页浏览型号2808A1的Datasheet PDF文件第3页浏览型号2808A1的Datasheet PDF文件第4页浏览型号2808A1的Datasheet PDF文件第5页浏览型号2808A1的Datasheet PDF文件第7页浏览型号2808A1的Datasheet PDF文件第8页浏览型号2808A1的Datasheet PDF文件第9页浏览型号2808A1的Datasheet PDF文件第10页  
ꢀ ꢁꢁꢂ ꢃ ꢄ ꢃ ꢅꢆꢇ ꢈꢇꢉ ꢀꢁ ꢁꢂ ꢃ ꢄ ꢃ ꢅꢆꢂ ꢈꢇ  
ꢊꢊ  
SGLS183A − AUGUST 2003 − REVISED APRIL 2008  
pin assignments (continued)  
RC  
4
1.41  
RC  
FREQUENCY =  
VDD  
2
(APPROXIMATE  
FREQUENCY)  
S
R
Q
OSCILLATOR  
OUTPUT  
0.2 V  
UDG-00095  
Figure 1. Block Diagram for Oscillator  
NOTE A: The oscillator generates a sawtooth waveform on RC. During the RC rise time, the output stages alternate on time, but both stages are  
off during the RC fall time. The output stages switch a 1/2 the oscillator frequency, with ensured duty cycle of < 50% for both outputs.  
VDD: The power input connection for this device. Although quiescent VDD current is very low, total supply  
current will be higher, depending on OUTA and OUTB current, and the programmed oscillator frequency. Total  
VDD current is the sum of quiescent VDD current and the average OUT current. Knowing the operating  
frequency and the MOSFET gate charge (Qg), average OUT current can be calculated from:  
I
+ Q   F, where F is frequency  
g
OUT  
To prevent noise problems, bypass VDD to GND with a ceramic capacitor as close to the chip as possible along  
with an electrolytic capacitor. A 1-µF decoupling capacitor is recommended.  
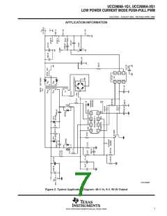
APPLICATION INFORMATION  
A 200-kHz push-pull application circuit with a full-wave rectifier is shown in Figure 2. The output, V , provides  
O
5 V at 50 W maximum and is electrically isolated from the input. Since the UCC2808A is a peak-current-mode  
controller the 2N2907 emitter following amplifier (buffers the CT waveform) provides slope compensation which  
is necessary for duty ratios greater than 50%. Capacitor decoupling is very important with a single ground IC  
controller, and a 1 µF is suggested as close to the IC as possible. The controller supply is a series RC for start-up,  
paralleled with a bias winding on the output inductor used in steady state operation.  
Isolation is provided by an optocoupler with regulation done on the secondary side using the TL431 adjustable  
precision shunt regulator. Small signal compensation with tight voltage regulation is achieved using this part  
on the secondary side. Many choices exist for the output inductor depending on cost, volume, and mechanicall  
strength. Several design options are iron powder, molypermalloy (MPP), or a ferrite core with an air gap as  
shown here. The main power transformer has a Magnetics Inc. ER28 size core made of P material for efficient  
operation at this frequency and temperature. The input voltage may range from 36 V dc to 72 V dc.  
6
POST OFFICE BOX 655303 DALLAS, TEXAS 75265  
 复制成功!