欢迎访问ic37.com |
会员登录 免费注册
发布采购

MC34064P-5RPG 参数 Datasheet PDF下载

MC34064P-5RPG图片预览
型号: MC34064P-5RPG
PDF下载: 下载PDF文件 查看货源
内容描述: 欠压检测电路 [UNDERVOLTAGE SENSING CIRCUIT]
分类和应用: 电源电路电源管理电路
文件页数/大小: 12 页 / 121 K
品牌: ONSEMI [ ONSEMI ]
 浏览型号MC34064P-5RPG的Datasheet PDF文件第1页浏览型号MC34064P-5RPG的Datasheet PDF文件第2页浏览型号MC34064P-5RPG的Datasheet PDF文件第4页浏览型号MC34064P-5RPG的Datasheet PDF文件第5页浏览型号MC34064P-5RPG的Datasheet PDF文件第6页浏览型号MC34064P-5RPG的Datasheet PDF文件第7页浏览型号MC34064P-5RPG的Datasheet PDF文件第8页浏览型号MC34064P-5RPG的Datasheet PDF文件第9页  
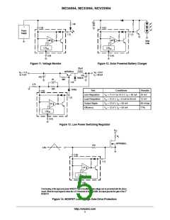
MC34064, MC33064, NCV33064  
10  
8.0  
6.0  
4.0  
2.0  
0
5.0  
R = 10 k to V  
L
T = 25°C  
A
R = 10 k to V  
L
T = 25°C  
A
in  
in  
4.0  
3.0  
2.0  
1.0  
0
0
2.0  
4.0  
6.0  
8.0  
10  
4.560  
4.580  
4.600  
V , INPUT VOLTAGE (V)  
4.620  
4.640  
V , INPUT VOLTAGE (V)  
in  
in  
Figure 2. Reset Output Voltage versus  
Input Voltage  
Figure 3. Reset Output Voltage versus  
Input Voltage  
4.630  
4.620  
4.610  
4.600  
4.590  
4.580  
4.570  
1.0  
R = 10 k to V  
L
in  
T = +25°C  
A
Upper Threshold  
High State Output  
0.8  
0.6  
0.4  
0.2  
0
−40°C  
+85°C  
T = +25°C  
A
+85°C  
−40°C  
Lower Threshold  
Low State Output  
−55  
−25  
0
25  
50  
75  
100  
125  
0
2.0  
4.0  
6.0  
8.0  
10  
T , AMBIENT TEMPERATURE (°C)  
A
V , INPUT VOLTAGE (V)  
in  
Figure 4. Comparator Threshold Voltage  
versus Temperature  
Figure 5. Input Current versus Input Voltage  
2.0  
1.5  
1.0  
0.5  
Reset  
V
in  
= 4.0 V  
V
= 5.0 V to 4.0 V  
in  
R = 10 k  
T = 25°C  
90%  
A
L
T = 25°C  
A
T = 85°C  
A
V
in  
T = −40°C  
A
5.0 V −  
4.0 V −  
V
in  
10k  
5.0V  
4.0V  
Reset  
10%  
REF  
0
0
10  
20  
, SINK CURRENT (mA)  
30  
40  
I
200 ns/DIV  
Sink  
Figure 6. Reset Output Saturation versus  
Sink Current  
Figure 7. Reset Delay Time  
http://onsemi.com  
3
 复制成功!