欢迎访问ic37.com |
会员登录 免费注册
发布采购

M37478M4-458FP 参数 Datasheet PDF下载

M37478M4-458FP图片预览
型号: M37478M4-458FP
PDF下载: 下载PDF文件 查看货源
内容描述: 单片8位CMOS微机 [SINGLE-CHIP 8-BIT CMOS MICROCOMPUTER]
分类和应用: 计算机
文件页数/大小: 47 页 / 666 K
品牌: MITSUBISHI [ Mitsubishi Group ]
 浏览型号M37478M4-458FP的Datasheet PDF文件第23页浏览型号M37478M4-458FP的Datasheet PDF文件第24页浏览型号M37478M4-458FP的Datasheet PDF文件第25页浏览型号M37478M4-458FP的Datasheet PDF文件第26页浏览型号M37478M4-458FP的Datasheet PDF文件第28页浏览型号M37478M4-458FP的Datasheet PDF文件第29页浏览型号M37478M4-458FP的Datasheet PDF文件第30页浏览型号M37478M4-458FP的Datasheet PDF文件第31页  
MITSUBISHI MICROCOMPUTERS  
7477/7478 GROUP  
SINGLE-CHIP 8-BIT CMOS MICROCOMPUTER  
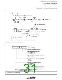
Ports P14 – P17  
SIOE  
SIOM  
SRDY  
Tr6  
Direction register  
Data bus  
Port latch  
Port P1  
7
S
RDY  
SCS  
SIOE  
SIOM  
SIOE  
Tr7  
Direction register  
Data bus  
Port latch  
Port P1  
6
CLK input  
CLK output  
SIOE  
TE  
Tr8  
Direction register  
Data bus  
Port latch  
Port P1  
5
TXD  
SIOE  
RE  
Tr9  
Direction register  
Data bus  
Data bus  
Port latch  
Port P1  
4
RXD  
Pull-up control  
register  
Tr6 to Tr9 are pull-up transistors.  
Fig. 20 Block diagram of ports P14 – P17  
27  
 复制成功!