欢迎访问ic37.com |
会员登录 免费注册
发布采购

ISL6366 参数 Datasheet PDF下载

ISL6366图片预览
型号: ISL6366
PDF下载: 下载PDF文件 查看货源
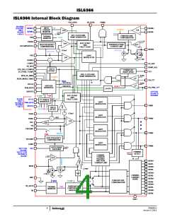
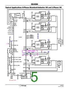
内容描述: 双6相+ 1相PWM控制器,用于VR12 / IMVP7应用 [Dual 6-Phase + 1-Phase PWM Controller for VR12/IMVP7 Applications]
分类和应用: 控制器
文件页数/大小: 44 页 / 1744 K
品牌: INTERSIL [ Intersil ]
 浏览型号ISL6366的Datasheet PDF文件第4页浏览型号ISL6366的Datasheet PDF文件第5页浏览型号ISL6366的Datasheet PDF文件第6页浏览型号ISL6366的Datasheet PDF文件第7页浏览型号ISL6366的Datasheet PDF文件第9页浏览型号ISL6366的Datasheet PDF文件第10页浏览型号ISL6366的Datasheet PDF文件第11页浏览型号ISL6366的Datasheet PDF文件第12页  
ISL6366  
Absolute Maximum Ratings  
Thermal Information  
VCC, VR_RDY, VR_RDYS. . . . . . . . . . . . . . . . . . . . . . . . . . . . . . . . . . . . . . . +6V  
NC4, NC5 . . . . . . . . . . . . . . . . . . . . . . . . . . . . . . . . . . . . . . . .GND -0.3V to 27V  
Thermal Resistance (Notes 4, 5)  
60 Ld 7x7 QFN Package . . . . . . . . . . . . . . .  
θ
(°C/W)  
24  
θ
(°C/W)  
1.5  
JA  
JC  
All Other Pins . . . . . . . . . . . . . . . . . . . . . . . . . . . . . .GND -0.3V to V + 0.3V  
Maximum Junction Temperature . . . . . . . . . . . . . . . . . . . . . . . . . . . .+150°C  
Maximum Storage Temperature Range . . . . . . . . . . . . . .-65°C to +150°C  
Pb-free reflow profile . . . . . . . . . . . . . . . . . . . . . . . . . . . . . . . . see link below  
http://www.intersil.com/pbfree/Pb-FreeReflow.asp  
CC  
Recommended Operating Conditions  
Supply Voltage, V . . . . . . . . . . . . . . . . . . . . . . . . . . . . . . . . . . . . . .+5V ±5%  
CC  
Ambient Temperature  
ISL6366CRZ . . . . . . . . . . . . . . . . . . . . . . . . . . . . . . . . . . . . . 0°C to +70°C  
ISL6366IRZ . . . . . . . . . . . . . . . . . . . . . . . . . . . . . . . . . . . . .-40°C to +85°C  
CAUTION: Do not operate at or near the maximum ratings listed for extended periods of time. Exposure to such conditions may adversely impact product  
reliability and result in failures not covered by warranty.  
NOTES:  
4. θ is measured in free air with the component mounted on a high effective thermal conductivity test board with “direct attach” features. See Tech  
JA  
Brief TB379.  
5. For θ , the “case temp” location is the center of the exposed metal pad on the package underside.  
JC  
Electrical Specifications Recommended Operating Conditions, V = 5V, Unless Otherwise specified. Boldface limits apply over the  
CC  
operating temperature range.  
MIN  
MAX  
PARAMETER  
TEST CONDITIONS  
(Note 7) TYP (Note 7) UNITS  
VOLTAGE REGULATOR (VR) ADDRESS  
Multiple-Phase Voltage Regulator (VR0) ADDRESS Hexadecimal Format  
Single-Phase Voltage Regulator (VR1) ADDRESS Hexadecimal Format  
VCC SUPPLY CURRENT  
0
1
EVN  
C
7
-
-
ODD  
Nominal Supply  
VCC = 5VDC; EN_PWR = 5VDC; R = 125kΩ, ISEN1-6 = 0µA  
23  
28  
22  
34.5  
28.5  
mA  
mA  
T
Shutdown Supply  
VCC = 5VDC; EN_PWR = 0VDC; R = 125kΩ  
16.5  
T
POWER-ON RESET AND ENABLE  
VCC Rising POR Threshold  
VCC Falling POR Threshold  
EN_PWR_FT Rising Threshold  
EN_PWR_FT Falling Threshold  
EN_VTT Rising Threshold  
EN_VTT Falling Threshold  
DAC (VID+OFFSET)  
4.30  
3.75  
4.40  
3.90  
4.50  
4.0  
V
V
V
V
V
V
0.830 0.850 0.870  
0.730 0.750 0.770  
0.830 0.850 0.870  
0.730 0.750 0.770  
System Accuracy of ISL6366CRZ  
(Note 6, Closed-Loop)  
(Note 6, Closed-Loop)  
(Note 6, Closed-Loop)  
(Note 6, Closed-Loop)  
(Note 6, Closed-Loop)  
(Note 6, Closed-Loop)  
-0.5  
-5  
-
-
-
-
-
-
0.5  
5
%VID  
mV  
(DAC = 1V to 2.155 V, T = 0°C to +70°C)  
J
System Accuracy of ISL6366CRZ  
(DAC = 0.8V to 1V, T = 0°C to +70°C)  
J
System Accuracy of ISL6366CRZ  
-8  
8
mV  
(DAC = 0.25V to 0.8V, T = 0°C to +70°C)  
J
System Accuracy of ISL6366IRZ  
-0.6  
-6  
0.6  
6
%VID  
mV  
(DAC = 1V to 2.155V, T = -40°C to +85°C)  
J
System Accuracy of ISL6366IRZ  
(DAC = 0.8V to 1V, T = -40°C to +85°C)  
J
System Accuracy of ISL6366IRZ  
-9  
9
mV  
(DAC = 0.25V to 0.8V, T = -40°C to +85°C)  
J
FN6964.0  
January 3, 2011  
8
 复制成功!