欢迎访问ic37.com |
会员登录 免费注册
发布采购

LNK306P 参数 Datasheet PDF下载

LNK306P图片预览
型号: LNK306P
PDF下载: 下载PDF文件 查看货源
内容描述: 最低的元件数量,节能离线式开关IC [Lowest Component Count, Energy Efficient Off-Line Switcher IC]
分类和应用: 开关
文件页数/大小: 16 页 / 864 K
品牌: POWERINT [ Power Integrations ]
 浏览型号LNK306P的Datasheet PDF文件第1页浏览型号LNK306P的Datasheet PDF文件第2页浏览型号LNK306P的Datasheet PDF文件第3页浏览型号LNK306P的Datasheet PDF文件第4页浏览型号LNK306P的Datasheet PDF文件第6页浏览型号LNK306P的Datasheet PDF文件第7页浏览型号LNK306P的Datasheet PDF文件第8页浏览型号LNK306P的Datasheet PDF文件第9页  
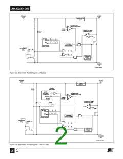
LNK302/304-306  
LinkSwitch-TN  
RF1  
D1  
L2  
D
FB  
BP  
S
D2  
R1  
+
C1  
AC  
INPUT  
S
S
L1  
C4  
C5  
C3  
R3  
DC  
OUTPUT  
C2  
S
D1  
D4  
Optimize hatched copper areas (  
) for heatsinking and EMI.  
PI-3750-083004  
Figure 6. Recommended Printed Circuit Layout for LinkSwitch-TN in a Buck Converter Configuration.  
cycles are skipped. To provide overload protection if no cycles  
LinkSwitch-TN Selection and Selection Between  
are skipped during a 50 ms period, LinkSwitch-TN will enter  
auto-restart (LNK304-306), limiting the average output power  
to approximately 6% of the maximum overload power. Due to  
trackingerrorsbetweentheoutputvoltageandthevoltageacross  
C3 at light load or no load, a small pre-load may be required  
(R4). For the design in Figure 5, if regulation to zero load is  
required, then this value should be reduced to 2.4 k.  
MDCM and CCM Operation  
SelecttheLinkSwitch-TNdevice,freewheelingdiodeandoutput  
inductor that gives the lowest overall cost. In general, MDCM  
provides the lowest cost and highest efficiency converter. CCM  
designs require a larger inductor and ultra-fast (trr 35 ns)  
freewheeling diode in all cases. It is lower cost to use a larger  
LinkSwitch-TNinMDCMthanasmallerLinkSwitch-TNinCCM  
because of the additional external component costs of a CCM  
design. However, ifthehighestoutputcurrentisrequired, CCM  
should be employed following the guidelines below.  
Key Application Considerations  
LinkSwitch-TN Design Considerations  
Output Current Table  
Topology Options  
Data sheet maximum output current table (Table 1) represents  
the maximum practical continuous output current for both  
mostlydiscontinuousconductionmode(MDCM)andcontinuous  
conductionmode(CCM)ofoperationthatcanbedeliveredfrom  
a given LinkSwitch-TN device under the following assumed  
conditions:  
LinkSwitch-TN can be used in all common topologies, with or  
withoutanoptocouplerandreferencetoimproveoutputvoltage  
tolerance and regulation. Table 2 provide a summary of these  
configurations. For more information see the Application  
Note – LinkSwitch-TN Design Guide.  
1) Buck converter topology.  
Component Selection  
2) The minimum DC input voltage is ≥70 V. The value of  
input capacitance should be large enough to meet this  
criterion.  
3) For CCM operation a KRP* of 0.4.  
4) Output voltage of 12 VDC.  
Referring to Figure 5, the following considerations may be  
helpful in selecting components for a LinkSwitch-TN design.  
Freewheeling Diode D1  
5) Efficiency of 75%.  
Diode D1 should be an ultra-fast type. For MDCM, reverse  
recovery time trr 75 ns should be used at a temperature of  
70°Corbelow. Slowerdiodesarenotacceptable,ascontinuous  
mode operation will always occur during startup, causing high  
leading edge current spikes, terminating the switching cycle  
prematurely,andpreventingtheoutputfromreachingregulation.  
If the ambient temperature is above 70 °C then a diode with  
trr 35 ns should be used.  
6) A catch/freewheeling diode with trr 75 ns is used for  
MDCM operation and for CCM operation, a diode with  
trr 35 ns is used.  
7) The part is board mounted with SOURCE pins soldered  
to a sufficient area of copper to keep the SOURCE pin  
temperature at or below 100 °C.  
*KRP is the ratio of ripple to peak inductor current.  
For CCM an ultra-fast diode with reverse recovery time  
trr 35 ns should be used. A slower diode may cause excessive  
G
3/05  
5
 复制成功!