欢迎访问ic37.com |
会员登录 免费注册
发布采购

THX208 参数 Datasheet PDF下载

THX208图片预览
型号: THX208
PDF下载: 下载PDF文件 查看货源
内容描述: [THX208采用专利技术、防过载防饱和,能满足绿色环保标准,为目前业界最小的的开关电源控制器集成电路。 特点: 1、防过载防饱和专利设计,能及时防范过载、开关变压器饱和、输出短路等故障; 2、采用经济型三极管为开关管;同时利用其放大作用完成启动,并将启动电阻的功耗减少10倍以上; 3、内置斜坡补偿电路、热保护电路、斜坡电流驱动电路; 4、无输出功耗可小于0.3W]
分类和应用: 变压器开关驱动控制器
文件页数/大小: 22 页 / 796 K
品牌: NUVOTEM TALEMA [ NUVOTEM TALEMA ]
 浏览型号THX208的Datasheet PDF文件第1页浏览型号THX208的Datasheet PDF文件第2页浏览型号THX208的Datasheet PDF文件第3页浏览型号THX208的Datasheet PDF文件第4页浏览型号THX208的Datasheet PDF文件第6页浏览型号THX208的Datasheet PDF文件第7页浏览型号THX208的Datasheet PDF文件第8页浏览型号THX208的Datasheet PDF文件第9页  
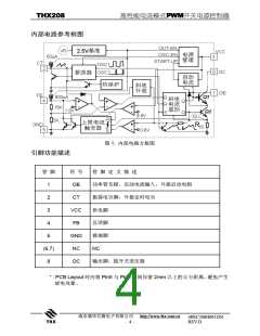
高性能电流模式PWM开关电源控制器  
THX208  
极限参数  
电电压 VCC ···································································································16V  
引脚输入电压 ·························································································· VCC+0.3V  
OC 电极承受电压·······································································0.3-700V/800V  
峰值开关································································································300mA  
·································································································1000mW  
工作温度范围 ·························································································0---150℃  
温度范围 ···················································································55---150℃  
接温度·······························································································260,10S  
推荐工作条件  
项目  
最小  
4.8  
-0.3  
-
典型  
最大  
9.0  
Vcc  
550  
230  
位  
V
V
V
mA  
电电压VCC  
引脚输入电压  
峰值电压  
峰值开关流  
5.5  
-
-
-
-
容  
振荡率  
270  
32  
330  
61  
680  
81  
PF  
KHz  
工作温度温度)  
0
100  
电气参数(Ta=25, Vcc=5.5-7.5V, Ct=330PF)  
输出部分  
项目  
测试条件  
最小 典型 最大 位  
THX208-7V  
THX208-8V  
THX208-7V  
THX208-8V  
700  
800  
-
-
300  
-
-
-
-
-
-
-
-
-
-
-
V
V
V
V
开关管最大压  
Ioc=10mA  
1
1.2  
700 ns  
75  
75  
饱和降  
Ioc=250mA  
时  
Ioc=250mA  
CL=1nF  
CL=1nF  
Tj=0-100℃  
OE=0.001-0.29A  
输出上间  
输出降时间  
输出限制电流  
OE 钳位电压  
ns  
ns  
210 230 250 mA  
1.5  
-
-
V
参考部分(内部)  
项目  
测试条件  
最小 典型 最大 位  
参考输出电压  
整率  
载调整率  
Io=1.0mA  
Vcc=5.5-9V  
Io=0.1-1.2mA  
2.4  
-
-
2.5  
2
-
2.6  
20  
3
V
mV  
%
南京通华芯微电子有限公司 http://www.thx.com.cn  
SPEC208H0911D1  
REV:D  
- 5 -  
 复制成功!