欢迎访问ic37.com |
会员登录 免费注册
发布采购

M37478M4-458FP 参数 Datasheet PDF下载

M37478M4-458FP图片预览
型号: M37478M4-458FP
PDF下载: 下载PDF文件 查看货源
内容描述: 单片8位CMOS微机 [SINGLE-CHIP 8-BIT CMOS MICROCOMPUTER]
分类和应用: 计算机
文件页数/大小: 47 页 / 666 K
品牌: MITSUBISHI [ Mitsubishi Group ]
 浏览型号M37478M4-458FP的Datasheet PDF文件第3页浏览型号M37478M4-458FP的Datasheet PDF文件第4页浏览型号M37478M4-458FP的Datasheet PDF文件第5页浏览型号M37478M4-458FP的Datasheet PDF文件第6页浏览型号M37478M4-458FP的Datasheet PDF文件第8页浏览型号M37478M4-458FP的Datasheet PDF文件第9页浏览型号M37478M4-458FP的Datasheet PDF文件第10页浏览型号M37478M4-458FP的Datasheet PDF文件第11页  
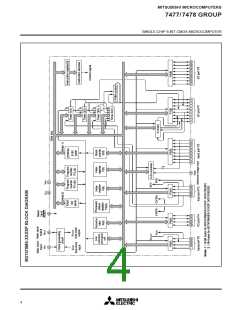
MITSUBISHI MICROCOMPUTERS  
7477/7478 GROUP  
SINGLE-CHIP 8-BIT CMOS MICROCOMPUTER  
PIN DESCRIPTION  
Input/  
Output  
Pin  
Name  
Functions  
Apply voltage of 2.7 to 5.5V to VCC, and 0V to VSS.  
VCC, VSS  
Power source  
AVSS  
(Note 1)  
Analog power  
source  
Ground level input pin for A-D converter.  
Same voltage as VSS is applied.  
RESET  
Reset input  
Input  
To enter the reset state, the reset input pin must be kept at “L” for 2µs or more  
(under normal VCC conditions).  
XIN  
Clock input  
Input  
These are I/O pins of internal clock generating circuit for main clock. To  
control generating frequency, an external ceramic or a quartz crystal oscillator  
is connected between the XIN and XOUT pins. If an external clock is used, the  
clock source should be connected the XIN pin and the XOUT pin should be left  
open. Feedback resistor is connected between XIN and XOUT.  
XOUT  
Clock output  
Output  
VREF  
Reference voltage  
input  
Input  
I/O  
Reference voltage input pin for A-D converter.  
P00 – P07  
I/O port P0  
Port P0 is an 8-bit I/O port. The output structure is CMOS output.  
When this port is selected for input, pull-up transistor can be connected in  
units of 1-bit and a key on wake up function is provided.  
P10 – P17  
I/O port P1  
I/O  
Port P1 is an 8-bit I/O port. The output structure is CMOS output.  
When this port is selected for input, pull-up transistor can be connected in  
units of 4-bit. P12 and P13 are in common with timer output pins T0 and T1.  
P14, P15, P16 and P17 are in common with serial I/O pins RXD, TXD, SCLK  
____  
and SRDY, respectively.  
P20 – P27  
(Note 2)  
Input port P2  
Input port P3  
Input  
Input  
Port P2 is an 8-bit input port.  
This port is in common with analog input pins IN0 to IN7.  
P30 – P33  
Port P3 is a 4-bit input port. P30, P31 are in common with external interrupt  
input pins INT0, INT1, and P32, P33 are in common with timer input pins  
CNTR0, CNTR1.  
P40 – P43  
(Note 3)  
I/O port P4  
I/O  
Port P4 is a 4-bit I/O port. The output structure is CMOS output, When this  
port is selected for input, pull-up transistor can be connected in units of 4-bit.  
P50 – P53  
(Note 4)  
Input port P5  
Input  
Port P5 is a 4-bit input port and pull-up transistor can be connected in units of  
4-bit. P50, P51 are in common with input/output pins of clock for clock function  
XCIN, XCOUT. When P50, P51 are used as XCIN, XCOUT, connect a ceramic or a  
quartz crystal oscillator between XCIN and XCOUT. If an external clock input is  
used, connect the clock input to the XCIN pin and open the XCOUT pin.  
Feedback resistor is connected between XCIN and XCOUT pins.  
Notes 1 : AVSS for M37478M4/M8/E8-XXXFP.  
2 : Only P20–P23 (IN0–IN3) 4-bit for the 7477 group.  
3 : Only P40 and P41 2-bit for the 7477 group.  
4 : This port is not included in the 7477 group.  
7
 复制成功!