欢迎访问ic37.com |
会员登录 免费注册
发布采购

TAS5709 参数 Datasheet PDF下载

TAS5709图片预览
型号: TAS5709
PDF下载: 下载PDF文件 查看货源
内容描述: 具有EQ和DRC的20W立体声数字音频功率放大器 [20-W STEREO DIGITAL AUDIO POWER AMPLIFIER WITH EQ AND DRC]
分类和应用: 放大器功率放大器
文件页数/大小: 59 页 / 1266 K
品牌: TI [ TEXAS INSTRUMENTS ]
 浏览型号TAS5709的Datasheet PDF文件第1页浏览型号TAS5709的Datasheet PDF文件第2页浏览型号TAS5709的Datasheet PDF文件第3页浏览型号TAS5709的Datasheet PDF文件第5页浏览型号TAS5709的Datasheet PDF文件第6页浏览型号TAS5709的Datasheet PDF文件第7页浏览型号TAS5709的Datasheet PDF文件第8页浏览型号TAS5709的Datasheet PDF文件第9页  
TAS5709  
SLOS599NOVEMBER 2008........................................................................................................................................................................................... www.ti.com  
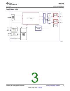
FAULT  
4
Under-  
voltage  
Protection  
FAULT  
4
Power  
On  
Reset  
AGND  
GND  
Protection  
and  
I/O Logic  
Temp.  
Sense  
VALID  
Overcurrent  
Protection  
Isense  
OC_ADJ  
BST_D  
PVDD_D  
OUT_D  
PWM_D  
PWM  
Rcv  
Gate  
Drive  
Timing  
Timing  
Timing  
Timing  
Ctrl  
Ctrl  
Ctrl  
Ctrl  
Pulldown Resistor  
Pulldown Resistor  
Pulldown Resistor  
Pulldown Resistor  
GVDD_CD  
Regulator  
PGND_CD  
GVDD_CD  
BST_C  
PVDD_C  
OUT_C  
PWM_C  
PWM_B  
PWM_A  
Gate  
Drive  
PWM  
Rcv  
PGND_CD  
BST_B  
PVDD_B  
OUT_B  
Gate  
Drive  
PWM  
Rcv  
GVDD_AB  
Regulator  
PGND_AB  
GVDD_AB  
BST_A  
PVDD_A  
OUT_A  
Gate  
Drive  
PWM  
Rcv  
PGND_AB  
B0034-05  
Figure 1. Power Stage Functional Block Diagram  
4
Submit Documentation Feedback  
Copyright © 2008, Texas Instruments Incorporated  
Product Folder Link(s): TAS5709  
 复制成功!