欢迎访问ic37.com |
会员登录 免费注册
发布采购

MP1494DJ 参数 Datasheet PDF下载

MP1494DJ图片预览
型号: MP1494DJ
PDF下载: 下载PDF文件 查看货源
内容描述: 高效率, 2A , 16V , 500kHz的同步,降压转换器 [High-Efficiency, 2A, 16V, 500kHz Synchronous, Step-Down Converter]
分类和应用: 转换器
文件页数/大小: 15 页 / 402 K
品牌: MPS [ MONOLITHIC POWER SYSTEMS ]
 浏览型号MP1494DJ的Datasheet PDF文件第1页浏览型号MP1494DJ的Datasheet PDF文件第3页浏览型号MP1494DJ的Datasheet PDF文件第4页浏览型号MP1494DJ的Datasheet PDF文件第5页浏览型号MP1494DJ的Datasheet PDF文件第6页浏览型号MP1494DJ的Datasheet PDF文件第7页浏览型号MP1494DJ的Datasheet PDF文件第8页浏览型号MP1494DJ的Datasheet PDF文件第9页  
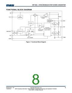
MP1494 – SYNCHRONOUS STEP-DOWN CONVERTER  
ORDERING INFORMATION  
Part Number*  
Package  
Top Marking  
MP1494DJ  
TSOT-23-8  
ABZ  
For Tape & Reel, add suffix –Z (e.g. MP1494DJ–Z);  
For RoHS, compliant packaging, add suffix –LF (e.g. MP1494DJ–LF–Z).  
PACKAGE REFERENCE  
ABSOLUTE MAXIMUM RATINGS (1)  
VIN ..................................................-0.3V to 17V  
Thermal Resistance (5)  
TSOT-23-8.............................100..... 55... °C/W  
θJA  
θJC  
V
SW......................................................................  
-0.3V (-5V for <10ns) to 17V (19V for <10ns)  
BS .........................................................VSW+6V  
Notes:  
1) Exceeding these ratings may damage the device.  
2) About the details of EN pin’s ABS MAX rating, please refer to  
Page 9, Enable/SYNC control section.  
V
All Other Pins................................ -0.3V to 6V (2)  
3) The maximum allowable power dissipation is a function of the  
maximum junction temperature TJ (MAX), the junction-to-  
ambient thermal resistance θJA, and the ambient temperature  
TA. The maximum allowable continuous power dissipation at  
any ambient temperature is calculated by PD (MAX) = (TJ  
(MAX)-TA)/θJA. Exceeding the maximum allowable power  
dissipation will cause excessive die temperature, and the  
regulator will go into thermal shutdown. Internal thermal  
shutdown circuitry protects the device from permanent  
damage.  
(3)  
Continuous Power Dissipation (TA = +25°C)  
........................................................... 1.25W  
Junction Temperature...............................150°C  
Lead Temperature ....................................260°C  
Storage Temperature................. -65°C to 150°C  
Recommended Operating Conditions (4)  
Supply Voltage VIN ...........................4.5V to 16V  
Output Voltage VOUT.....................0.8V to VIN-3V  
Operating Junction Temp. (TJ). -40°C to +125°C  
4) The device is not guaranteed to function outside of its  
operating conditions.  
5) Measured on JESD51-7, 4-layer PCB.  
MP1494 Rev. 1.04  
12/26/2012  
www.MonolithicPower.com  
MPS Proprietary Information. Patent Protected. Unauthorized Photocopy and Duplication Prohibited.  
© 2012 MPS. All Rights Reserved.  
2
 复制成功!